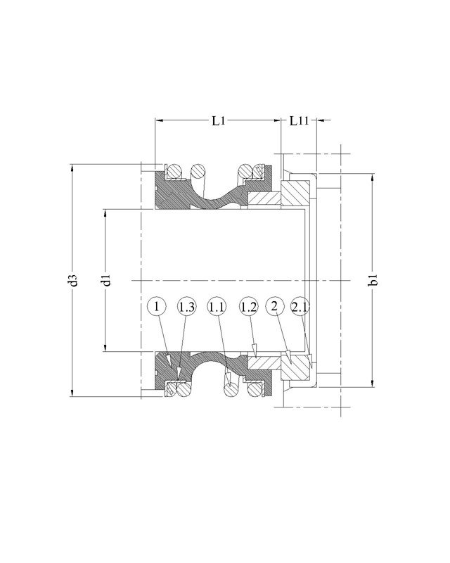
ST7 Mekanik Salmastra
| Tekli Salmastra |
| Balanssız |
| Dönüş Yönünden Bağımsız |
| Kauçuk Körüklü |
| d1 | 10 ... 100 mm |
| p1 | 12 (16) bar 170 (230) PSI |
| Vg | 10 m/s 33ft/s |
| t | -20 ... +120 (140)ºC |
| t | -4ºF ... +250(284)ºF |
| d1 | d3 | b1 | L1 | L2 | L3 | L4 | L11 |
| 10 | 15.7 | 21 | 14.5 | 25.9 | 33.4 | 25.0 | 6.6 |
| 12 | 17.7 | 23 | 15.0 | 25.9 | 33.4 | 25.0 | 6.6 |
| 14 | 19.7 | 25 | 17.0 | 28.4 | 33.4 | 25.0 | 6.6 |
| 15 | 20.8 | 17.0 | 28.4 | 33.4 | 25.0 | ||
| 16 | 21.0 | 27 | 17.0 | 28.4 | 33.4 | 25.0 | 6.6 |
| 18 | 23.7 | 33 | 19.5 | 30.0 | 37.5 | 25.0 | 7.5 |
| 19 | 26.7 | 21.5 | 30.0 | 37.5 | 25.0 | ||
| 20 | 26.7 | 35 | 21.5 | 30.0 | 37.5 | 25.0 | 7.5 |
| 22 | 27.7 | 37 | 21.5 | 30.0 | 37.5 | 25.0 | 7.5 |
| 24 | 31.2 | 39 | 22.5 | 32.5 | 42.5 | 25.0 | 7.5 |
| 25 | 31.2 | 40 | 23.0 | 32.5 | 42.5 | 25.0 | 7.5 |
| 28 | 35.0 | 43 | 26.5 | 35.0 | 42.5 | 33.0 | 7.5 |
| 30 | 37.0 | 45 | 26.5 | 35.0 | 42.5 | 33.0 | 7.5 |
| 32 | 40.2 | 48 | 27.5 | 35.0 | 47.5 | 33.0 | 7.5 |
| 33 | 40.2 | 48 | 27.5 | 35.0 | 47.5 | 33.0 | 7.5 |
| 35 | 43.2 | 50 | 28.5 | 35.0 | 47.5 | 33.0 | 7.5 |
| 38 | 46.2 | 56 | 30.0 | 36.0 | 46.0 | 33.0 | 9.0 |
| 40 | 48.8 | 58 | 30.0 | 36.0 | 46.0 | 33.0 | 9.0 |
| 42 | 51.8 | 30.0 | 36.0 | 51.0 | 41.0 | ||
| 43 | 51.8 | 61 | 30.0 | 36.0 | 51.0 | 41.0 | 9.0 |
| 45 | 53.8 | 63 | 30.0 | 36.0 | 51.0 | 41.0 | 9.0 |
| 48 | 56.8 | 66 | 30.5 | 36.0 | 51.0 | 41.0 | 9.0 |
| 50 | 58.8 | 70 | 30.5 | 38.0 | 50.5 | 41.0 | 9.5 |
| 53 | 62.2 | 73 | 33.0 | 36.5 | 59.0 | 41.0 | 11.0 |
| 55 | 64.2 | 75 | 35.0 | 36.5 | 59.0 | 41.0 | 11.0 |
| 58 | 67.2 | 78 | 37.0 | 41.5 | 59.0 | 41.0 | 11.0 |
| 60 | 70.0 |


